Standex Detect のご紹介
精密エレクトロニクス分野におけるブランド名称です

Standex Detect は、スイッチ、センサー、リレーなどの検知機能を担う製品群を、より分かりやすくお伝えするために Standex Electronics グループが設定した ブランド名称です。

従来の製品・技術・サポート体制を基盤としながら、製品情報を機能軸で整理し、提供価値の明確化と一貫した情報発信を
進めています。

日本語
Home 製品 リレー オプトカプラ 525シリーズ オプトカプラ

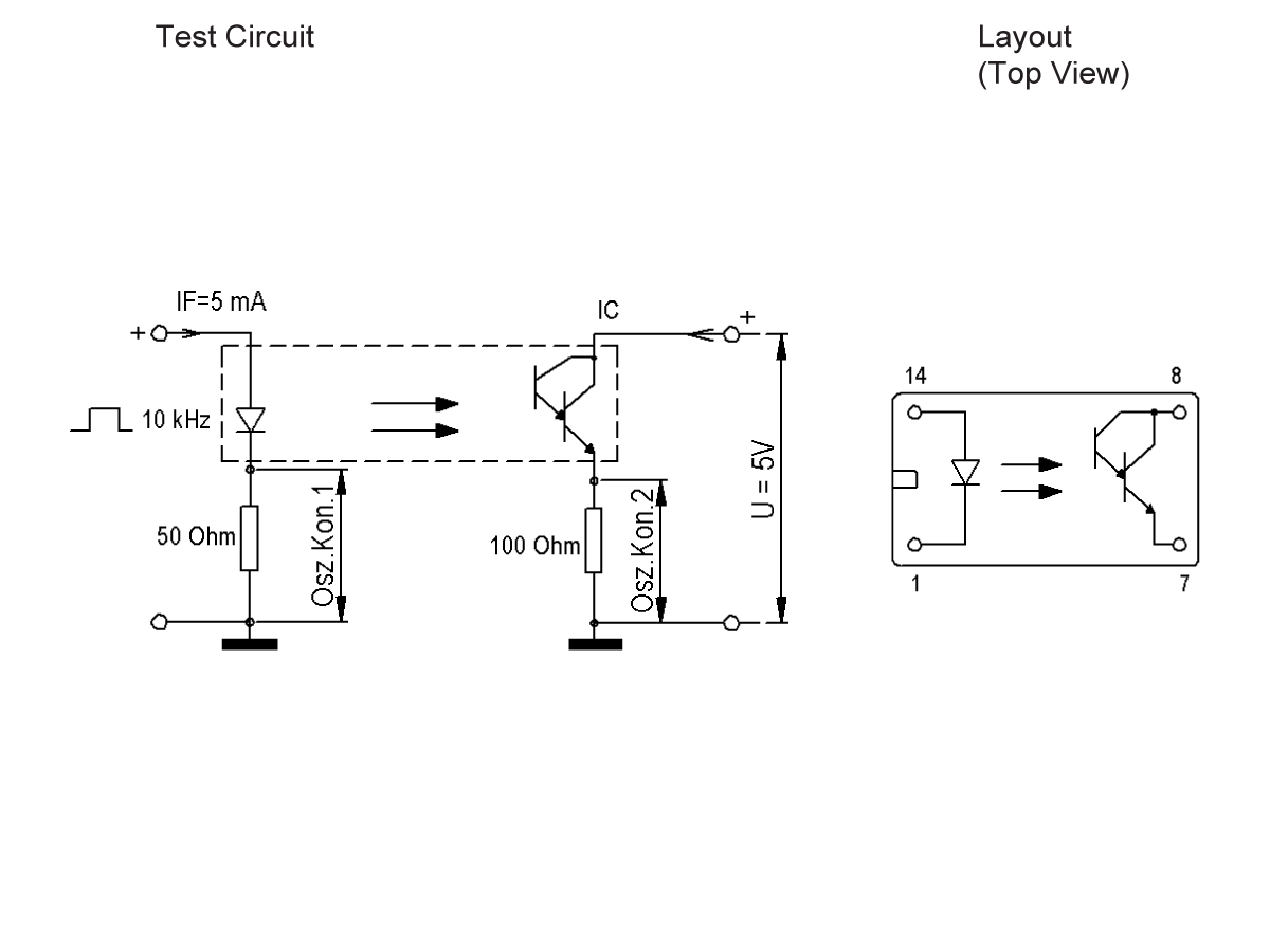
525シリーズ オプトカプラ

525シリーズオプトカプラは、本質安全回路やその他の高信頼性アプリケーションにおけるガルバニ分離用に設計された高絶縁ソリッドステートデバイスです。最低絶縁電圧は4,000 VDCで、これらのオプトカプラは、可燃性ガスや高電気ノイズのある環境でも、入力と出力間の安全な信号伝送を保証します。

ATEXおよびIECEx規格に認定された525シリーズは、最小限のカップリング容量と高速スイッチング速度で、アナログとデジタルの両方の信号伝送をサポートします。フォトダイオード出力の使用により、短いサイクルタイムと信号反転機能を実現し、非機械的設計により、長い動作寿命と磁界への耐性を保証します。

コンパクトなフットプリントと最大14.5mmの沿面/エアパス距離により、これらのオプトカプラは厳しい安全要件を満たし、危険な産業環境での使用に最適です。

保護等級II (1) G [Ex ia Ga] II C
準拠:EN 60079-0, EN 60079-11

  • 爆発性または危険な環境での使用に対応するATEX & IECEx認証済み
  • 入出力間最大4,000 VDCのガルバニック絶縁
  • アナログおよびデジタル信号伝送に対応
  • 高速スイッチング時間 (typ. 5.5 µs on / 4.2 µs off)
  • 最大10¹²Ωの高絶縁抵抗
  • クリーンな信号分離のための最小限のカップリング容量
  • 沿面距離とエアパス距離が14.5 mmのコンパクト設計
  • 非機械的スイッチングによる長寿命
  • 磁界や環境干渉に影響されない
  • 柔軟なロジック制御のための信号反転機能
絶縁電圧入出力最小 (VDC)4000
電流伝達比 lc/lf (lf = 10mA) Min.0.5
オン/オフ時間(µsec)5.5/4.2
コレクタ・エミッタ間電圧(VDC) Max.32
クリープ距離、エアパスI/O最小(mm)14.5
周囲温度-40~85
  • 石油・ガス: 可燃性環境における制御システムの信号絶縁
  • 鉱業爆発性雰囲気での安全なスイッチング
  • 医療機器 高感度デバイスのESD耐性信号分離
  • テストと測定 精密機器における高速信号転送
  • オートメーションシステム 産業用制御回路におけるガルバニック絶縁
  • エネルギー&電力システム 再生可能エネルギーシステムと従来型エネルギーシステムにおける絶縁
  • プロセス制御危険な生産環境における安全な信号ルーティング

Standex Detect へのお問い合わせ