MH04シリーズ ホールセンサー
MH04シリーズホール効果センサは、過酷な環境における精度と耐久性のために設計されています。ケーブル端子付きの堅牢なフランジ取り付け長方形ケーシングに収納されたこれらのセンサは、ソリッドステートの信頼性と広い温度範囲にわたって一貫した性能を提供します。
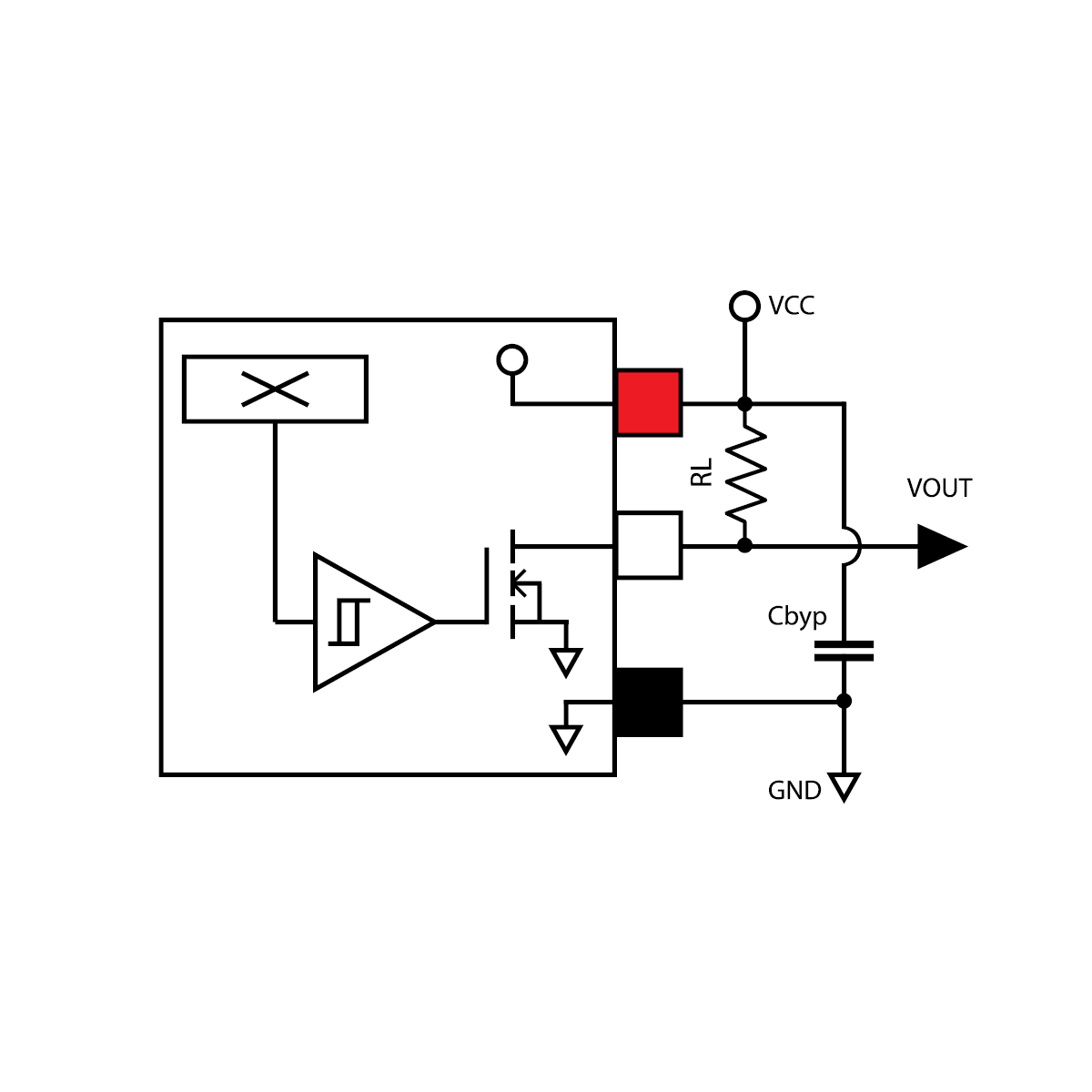
設計上の注意事項
- シンク出力用に、VCCとVOUTの間に外部プルアップ抵抗(RL)を追加してください。
- 外部ノイズを最小限に抑えるため、センサ近傍にバイパスコンデンサ(CBYP)を使用してください。
- 複数の出力オプション:スイッチ、ラッチ、マイクロパワー構成があり、多様なアプリケーションのニーズに対応。
- 低消費電力:マイクロパワーバージョンは、2.5~3.5Vでわずか5μAの平均電流で動作します。
- 高温耐性:標準動作範囲は-40°C~+85°Cで、より高温での使用も可能です。
- 安定した作動点:変動する環境条件下でも安定したセンシング性能を保証します。
- コンパクトでカスタマイズ可能:柔軟な設計オプションにより、スペースに制約のあるアプリケーションに最適。
| 機能タイプ – S(スイッチ), L(ラッチ) | 標準(S)スイッチ ラッチ(L) マイクロパワー(スイッチのみ) |
| 検出範囲 – 動作 | 標準(S)スイッチ 95G ラッチ(L) 22G マイクロパワー 37G |
| 検出範囲 – リリース | 標準(S)スイッチ 70G ラッチ(L) -23G マイクロパワー 31G |
| 電圧供給 | 標準3-24V、マイクロパワー2.5-3.5V |
| 電流供給 | 標準4mA、マイクロパワー2mA |
| 出力漏れ電流 Max. | 標準10μA、マイクロパワー1μA |
| 出力オン電圧 Typ. | 標準185mV、マイクロパワー100mV |
| チョッピング周波数 Typ. | 標準 800kHz, マイクロパワー 340kHz |
| 動作温度範囲 | -40~85℃(高温バージョンあり) |
- スピードセンシング
- 表面実装設計
- プログラマブルおよび極性感応システム
- 産業用、車載用、民生用電子機器